Завод ЖБИ г. Минск
+375 29 123-45-57
+375 29 123-45-57
E-mail
zhbik2@mail.ru
Адрес
г. Минск, ул. Кальварийская, 16
Режим работы
Пн. – Пт.: с 9:00 до 18:00
Каталог
  • По группам
    • Балки , Ригели, Фермы, Траверсы железобетонные
    • Бордюры, Плитка тротуарная, Элементы благоустройства
    • Дорожное строительство
    • Кабины санитарно-технические, Комплект гаража
    • Колонны, диафрагмы железобетонные
    • Лестничные ступени, Марши, Площадки
    • Лотковые элементы
    • Мостовые конструкции
    • Опоры , Приставки,Стойки , Анкера для ЛЭП
    • Панели стеновые, Шахты лифтов, Козырьки входа
    • Перемычки, Прогоны
    • Плиты забора железобетонные
    • Плиты перекрытия
    • Плиты, Блоки, Столбы, Стойки различного назначения
    • Сваи железобетонные
    • Трубы асбоцементные
    • Утяжелители железобетонные
    • Фундаментные блоки, Лежни, Фундаменты
    • Элементы Колодца
Информация
О компании
Контакты
0
Завод ЖБИ г. Минск
+375 29 123-45-57
+375 29 123-45-57
E-mail
zhbik2@mail.ru
Адрес
г. Минск, ул. Кальварийская, 16
Режим работы
Пн. – Пт.: с 9:00 до 18:00
Каталог

По группам

  • Балки , Ригели, Фермы, Траверсы железобетонные
    Балки , Ригели, Фермы, Траверсы железобетонные
    • Балки железобетонные различного назначения
    • Балки фундаментые
    • Ригели железобетонные
    • Траверсы железобетонные
    • Фермы железобетонные
  • Бордюры, Плитка тротуарная, Элементы благоустройства
    Бордюры, Плитка тротуарная, Элементы благоустройства
    • Балюстрады; Балясины
    • Бордюры
    • Камни бортовые дорожные,тротуарные
    • Плитка тротуарная 500x500
    • Полусферы, Шары, Арки, скамейки
    • Цветочницы, Урны, Вазы, Чаши,Тротуарные плиты
  • Дорожное строительство
    Дорожное строительство
    • Аэродромные плиты ПАГ
    • Блоки различного назначения для обустройства дорог
    • Дорожная плита
    • Звенья железобетонные
    • Откосные стенки
    • Плиты дорожного настила
    • Портальные стенки
    • Сигнальные столбики
    • Трубы железобетонные
    • Шпалы железобетонные
  • Кабины санитарно-технические, Комплект гаража
    Кабины санитарно-технические, Комплект гаража
    • Кабины санитарно-технические
    • Комплект гаража
  • Колонны, диафрагмы железобетонные
    Колонны, диафрагмы железобетонные
    • Диафрагмы жесткости железобетонные
    • Капители колонн
    • Колонны железобетонные
  • Лестничные ступени, Марши, Площадки
    Лестничные ступени, Марши, Площадки
    • Косоуры лестничные
    • Лестничные марши
    • Лестничные площадки железобетонные
    • Лестничные ступени
    • Накладные проступи
    • Ограждения лестничные
    • Площадочные вкладыши
  • Лотковые элементы
    Лотковые элементы
    • Балки для узлов трасс каналов
    • Блоки лотков каналов
    • Кабельные бруски
    • Кормушки для лотков
    • Лотки железобетонные
    • Опорные подушки лотков
    • Опоры лотков
    • Плиты перекрытия лотков
    • Решетки перекрытия каналов
    • Сливы бетонные
  • Мостовые конструкции
    Мостовые конструкции
    • Балки мостовые
    • Балки пролетного строения Серия 3.503.1-81
    • Блоки для обустройства мостов
    • Плиты для обустройства мостов
    • Прочие конструкции для мостов
    • Фундаменты для мостовых конструкций
  • Опоры , Приставки,Стойки , Анкера для ЛЭП
    Опоры , Приставки,Стойки , Анкера для ЛЭП
    • Анкера железобетонные
    • Опоры СВ
    • Приставки железобетонные
    • Стойки железобетонные
    • Стойки СК
  • Панели стеновые, Шахты лифтов, Козырьки входа
    Панели стеновые, Шахты лифтов, Козырьки входа
    • Козырьки входов для общественных зданий
    • Панели стеновые железобетонные
    • Стеновые блоки
    • Шахты лифтов железобетонные
  • Перемычки, Прогоны
    Перемычки, Прогоны
    • Перемычки железобетонные
    • Перемычки ПБ
    • Прогоны железобетонные
    • Прогоны ПРГ
  • Плиты забора железобетонные
    Плиты забора железобетонные
    • Панели оград железобетонные
    • Плиты забора ЖБИ
    • Столбы оград
    • Элементы ограждения
  • Плиты перекрытия
    Плиты перекрытия
    • Плиты ПБ
    • Плиты перекрытия многопустотные различного назначения
    • Плиты ПК
    • Плиты ребристые железобетонные
  • Плиты, Блоки, Столбы, Стойки различного назначения
    Плиты, Блоки, Столбы, Стойки различного назначения
    • Блоки железобетонные
    • Вентиляционные блоки
    • Плиты железобетонные
    • Стойки прочие
    • Столбы железобетонные
  • Сваи железобетонные
    Сваи железобетонные
    • Сваи забивные
    • Сваи различного назначения
  • Трубы асбоцементные
    Трубы асбоцементные
    • Муфты, скорлупы асбоцементные
    • Трубы асбоцементные
  • Утяжелители железобетонные
    Утяжелители железобетонные
    • Подушка КИП, Плиты для нефтеных скважин
    • Утяжелители железобетонные болотные
    • Утяжелители железобетонные кольцевые
    • Утяжелители железобетонные охватывающие
    • Утяжелители железобетонные поясные
  • Фундаментные блоки, Лежни, Фундаменты
    Фундаментные блоки, Лежни, Фундаменты
    • Блоки ФБС
    • Блоки ФЛ
    • Лежни железобетонные
    • Плиты фундаментные
    • Фундаментные блоки различного назначения
    • Фундаменты железобетонные
  • Элементы Колодца
    Элементы Колодца
    • Кабельный колодец
    • Кольца для колодца
    • Кольцо опорное КО 6, КЦО 1
    • Крышка колодца
    • Люки, дождеприемники, решетки, стремянки, консоли
    • Плита днища
    • Рабочие камеры и их элементы
    • Типовые кольца колодцев их элементы
Информация
О компании
Контакты
    0
    Каталог

    По группам

    • Балки , Ригели, Фермы, Траверсы железобетонные
      Балки , Ригели, Фермы, Траверсы железобетонные
      • Балки железобетонные различного назначения
      • Балки фундаментые
      • Ригели железобетонные
      • Траверсы железобетонные
      • Фермы железобетонные
    • Бордюры, Плитка тротуарная, Элементы благоустройства
      Бордюры, Плитка тротуарная, Элементы благоустройства
      • Балюстрады; Балясины
      • Бордюры
      • Камни бортовые дорожные,тротуарные
      • Плитка тротуарная 500x500
      • Полусферы, Шары, Арки, скамейки
      • Цветочницы, Урны, Вазы, Чаши,Тротуарные плиты
    • Дорожное строительство
      Дорожное строительство
      • Аэродромные плиты ПАГ
      • Блоки различного назначения для обустройства дорог
      • Дорожная плита
      • Звенья железобетонные
      • Откосные стенки
      • Плиты дорожного настила
      • Портальные стенки
      • Сигнальные столбики
      • Трубы железобетонные
      • Шпалы железобетонные
    • Кабины санитарно-технические, Комплект гаража
      Кабины санитарно-технические, Комплект гаража
      • Кабины санитарно-технические
      • Комплект гаража
    • Колонны, диафрагмы железобетонные
      Колонны, диафрагмы железобетонные
      • Диафрагмы жесткости железобетонные
      • Капители колонн
      • Колонны железобетонные
    • Лестничные ступени, Марши, Площадки
      Лестничные ступени, Марши, Площадки
      • Косоуры лестничные
      • Лестничные марши
      • Лестничные площадки железобетонные
      • Лестничные ступени
      • Накладные проступи
      • Ограждения лестничные
      • Площадочные вкладыши
    • Лотковые элементы
      Лотковые элементы
      • Балки для узлов трасс каналов
      • Блоки лотков каналов
      • Кабельные бруски
      • Кормушки для лотков
      • Лотки железобетонные
      • Опорные подушки лотков
      • Опоры лотков
      • Плиты перекрытия лотков
      • Решетки перекрытия каналов
      • Сливы бетонные
    • Мостовые конструкции
      Мостовые конструкции
      • Балки мостовые
      • Балки пролетного строения Серия 3.503.1-81
      • Блоки для обустройства мостов
      • Плиты для обустройства мостов
      • Прочие конструкции для мостов
      • Фундаменты для мостовых конструкций
    • Опоры , Приставки,Стойки , Анкера для ЛЭП
      Опоры , Приставки,Стойки , Анкера для ЛЭП
      • Анкера железобетонные
      • Опоры СВ
      • Приставки железобетонные
      • Стойки железобетонные
      • Стойки СК
    • Панели стеновые, Шахты лифтов, Козырьки входа
      Панели стеновые, Шахты лифтов, Козырьки входа
      • Козырьки входов для общественных зданий
      • Панели стеновые железобетонные
      • Стеновые блоки
      • Шахты лифтов железобетонные
    • Перемычки, Прогоны
      Перемычки, Прогоны
      • Перемычки железобетонные
      • Перемычки ПБ
      • Прогоны железобетонные
      • Прогоны ПРГ
    • Плиты забора железобетонные
      Плиты забора железобетонные
      • Панели оград железобетонные
      • Плиты забора ЖБИ
      • Столбы оград
      • Элементы ограждения
    • Плиты перекрытия
      Плиты перекрытия
      • Плиты ПБ
      • Плиты перекрытия многопустотные различного назначения
      • Плиты ПК
      • Плиты ребристые железобетонные
    • Плиты, Блоки, Столбы, Стойки различного назначения
      Плиты, Блоки, Столбы, Стойки различного назначения
      • Блоки железобетонные
      • Вентиляционные блоки
      • Плиты железобетонные
      • Стойки прочие
      • Столбы железобетонные
    • Сваи железобетонные
      Сваи железобетонные
      • Сваи забивные
      • Сваи различного назначения
    • Трубы асбоцементные
      Трубы асбоцементные
      • Муфты, скорлупы асбоцементные
      • Трубы асбоцементные
    • Утяжелители железобетонные
      Утяжелители железобетонные
      • Подушка КИП, Плиты для нефтеных скважин
      • Утяжелители железобетонные болотные
      • Утяжелители железобетонные кольцевые
      • Утяжелители железобетонные охватывающие
      • Утяжелители железобетонные поясные
    • Фундаментные блоки, Лежни, Фундаменты
      Фундаментные блоки, Лежни, Фундаменты
      • Блоки ФБС
      • Блоки ФЛ
      • Лежни железобетонные
      • Плиты фундаментные
      • Фундаментные блоки различного назначения
      • Фундаменты железобетонные
    • Элементы Колодца
      Элементы Колодца
      • Кабельный колодец
      • Кольца для колодца
      • Кольцо опорное КО 6, КЦО 1
      • Крышка колодца
      • Люки, дождеприемники, решетки, стремянки, консоли
      • Плита днища
      • Рабочие камеры и их элементы
      • Типовые кольца колодцев их элементы
    Информация
    О компании
    Контакты
      +375 29 123-45-57
      E-mail
      zhbik2@mail.ru
      Адрес
      г. Минск, ул. Кальварийская, 16
      Режим работы
      Пн. – Пт.: с 9:00 до 18:00
      0
      Телефоны
      +375 29 123-45-57
      E-mail
      zhbik2@mail.ru
      Адрес
      г. Минск, ул. Кальварийская, 16
      Режим работы
      Пн. – Пт.: с 9:00 до 18:00
      0
      • Каталог
        • Каталог
        • По группам
          • По группам
          • Балки , Ригели, Фермы, Траверсы железобетонные
            • Балки , Ригели, Фермы, Траверсы железобетонные
            • Балки железобетонные различного назначения
            • Балки фундаментые
            • Ригели железобетонные
            • Траверсы железобетонные
            • Фермы железобетонные
          • Бордюры, Плитка тротуарная, Элементы благоустройства
            • Бордюры, Плитка тротуарная, Элементы благоустройства
            • Балюстрады; Балясины
            • Бордюры
            • Камни бортовые дорожные,тротуарные
            • Плитка тротуарная 500x500
            • Полусферы, Шары, Арки, скамейки
            • Цветочницы, Урны, Вазы, Чаши,Тротуарные плиты
          • Дорожное строительство
            • Дорожное строительство
            • Аэродромные плиты ПАГ
            • Блоки различного назначения для обустройства дорог
            • Дорожная плита
            • Звенья железобетонные
            • Откосные стенки
            • Плиты дорожного настила
            • Портальные стенки
            • Сигнальные столбики
            • Трубы железобетонные
            • Шпалы железобетонные
          • Кабины санитарно-технические, Комплект гаража
            • Кабины санитарно-технические, Комплект гаража
            • Кабины санитарно-технические
            • Комплект гаража
          • Колонны, диафрагмы железобетонные
            • Колонны, диафрагмы железобетонные
            • Диафрагмы жесткости железобетонные
            • Капители колонн
            • Колонны железобетонные
          • Лестничные ступени, Марши, Площадки
            • Лестничные ступени, Марши, Площадки
            • Косоуры лестничные
            • Лестничные марши
            • Лестничные площадки железобетонные
            • Лестничные ступени
            • Накладные проступи
            • Ограждения лестничные
            • Площадочные вкладыши
          • Лотковые элементы
            • Лотковые элементы
            • Балки для узлов трасс каналов
            • Блоки лотков каналов
            • Кабельные бруски
            • Кормушки для лотков
            • Лотки железобетонные
            • Опорные подушки лотков
            • Опоры лотков
            • Плиты перекрытия лотков
            • Решетки перекрытия каналов
            • Сливы бетонные
          • Мостовые конструкции
            • Мостовые конструкции
            • Балки мостовые
            • Балки пролетного строения Серия 3.503.1-81
            • Блоки для обустройства мостов
            • Плиты для обустройства мостов
            • Прочие конструкции для мостов
            • Фундаменты для мостовых конструкций
          • Опоры , Приставки,Стойки , Анкера для ЛЭП
            • Опоры , Приставки,Стойки , Анкера для ЛЭП
            • Анкера железобетонные
            • Опоры СВ
            • Приставки железобетонные
            • Стойки железобетонные
            • Стойки СК
          • Панели стеновые, Шахты лифтов, Козырьки входа
            • Панели стеновые, Шахты лифтов, Козырьки входа
            • Козырьки входов для общественных зданий
            • Панели стеновые железобетонные
            • Стеновые блоки
            • Шахты лифтов железобетонные
          • Перемычки, Прогоны
            • Перемычки, Прогоны
            • Перемычки железобетонные
            • Перемычки ПБ
            • Прогоны железобетонные
            • Прогоны ПРГ
          • Плиты забора железобетонные
            • Плиты забора железобетонные
            • Панели оград железобетонные
            • Плиты забора ЖБИ
            • Столбы оград
            • Элементы ограждения
          • Плиты перекрытия
            • Плиты перекрытия
            • Плиты ПБ
            • Плиты перекрытия многопустотные различного назначения
            • Плиты ПК
            • Плиты ребристые железобетонные
          • Плиты, Блоки, Столбы, Стойки различного назначения
            • Плиты, Блоки, Столбы, Стойки различного назначения
            • Блоки железобетонные
            • Вентиляционные блоки
            • Плиты железобетонные
            • Стойки прочие
            • Столбы железобетонные
          • Сваи железобетонные
            • Сваи железобетонные
            • Сваи забивные
            • Сваи различного назначения
          • Трубы асбоцементные
            • Трубы асбоцементные
            • Муфты, скорлупы асбоцементные
            • Трубы асбоцементные
          • Утяжелители железобетонные
            • Утяжелители железобетонные
            • Подушка КИП, Плиты для нефтеных скважин
            • Утяжелители железобетонные болотные
            • Утяжелители железобетонные кольцевые
            • Утяжелители железобетонные охватывающие
            • Утяжелители железобетонные поясные
          • Фундаментные блоки, Лежни, Фундаменты
            • Фундаментные блоки, Лежни, Фундаменты
            • Блоки ФБС
            • Блоки ФЛ
            • Лежни железобетонные
            • Плиты фундаментные
            • Фундаментные блоки различного назначения
            • Фундаменты железобетонные
          • Элементы Колодца
            • Элементы Колодца
            • Кабельный колодец
            • Кольца для колодца
            • Кольцо опорное КО 6, КЦО 1
            • Крышка колодца
            • Люки, дождеприемники, решетки, стремянки, консоли
            • Плита днища
            • Рабочие камеры и их элементы
            • Типовые кольца колодцев их элементы
      • Информация
      • О компании
      • Контакты
      • 0 Корзина
      • +375 29 123-45-57
        • Телефоны
        • +375 29 123-45-57
      • г. Минск, ул. Кальварийская, 16
      • zhbik2@mail.ru
      • Пн. – Пт.: с 9:00 до 18:00

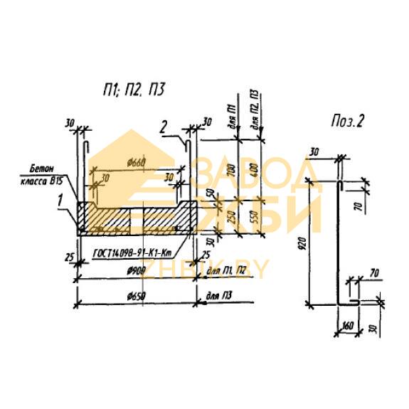
      П 1 (Б3.507.1-3.04)

      П 1 (Б3.507.1-3.04)
      от 30 руб.
      Арт. 212628
      Цена не является публичной офертой! Актуальность цены уточняйте у наших менеджеров.
      П 1 (Б3.507.1-3.04)
      П 1 (Б3.507.1-3.04)
      900х900x250
      Подробности
      Характеристики
      Длина, мм
      —
      900
      Ширина, мм
      —
      900
      Высота, мм
      —
      250
      Вес, кг
      —
      325
      Объем бетона, м3
      —
      0.13
      Геометрический объем, м3
      —
      0.2025
      Все характеристики
      ГОСТ, Серия
      —
      Серия Б3.507.1-3.04
      Срок изготовление от 1 дня
      Доставка от 1 дня
      П 1 (Б3.507.1-3.04)
      от 30 руб.
      Арт. 212628
      Цена не является публичной офертой! Актуальность цены уточняйте у наших менеджеров.
      • Описание
      • Характеристики

      Стандарт изготовления изделия: Серия Б3.507.1-3.04

      Подушки П 1 (Б3.507.1-3.04) представляют собой высокопрочные железобетонные изделия, имеющие круглую форму с прямоугольным поперечным сечением. В центральной части конструкции расположено сквозное отверстие. Главной отличительной особенностью строительных элементов является наличие выступающего бортика, проходящего по всему диаметру изделия, образуя во внутренней части элемента углубление, диаметром 660 мм.

      Широкое применение индустриальные подушки нашли при строительстве опор наружного освещения и контактных сетей городского транспорта. Изделия используются совместно со стойками и фундаментами, запроектированными по Серии Б3.507.1-3.04. Они устанавливаются в теле фундамента и служат опорой для стойки. Конструкции относятся к категории ХС1 и предназначены для эксплуатации в грунте с высокой вероятностью агрессивного воздействия грунтовых вод. Для увеличения срока службы строительных элементов рекомендуется обеспечить дополнительную гидроизоляцию на основании СНиП 2.03.11-85. При разработке элементов учитывались рекомендации СНБ 5.03.01-02.

      Маркировочные обозначения

      На поверхность конструкций несмываемой масленой краской необходимо наносить специальные маркировочные знаки, упрощающие процесс сортировки и обнаружения необходимых по типовому проекту строительных материалов на складских территориях. Совокупность цифр и букв П 1 (Б3.507.1-3.04) имеет следующую расшифровку:

      1. П - тип изделия - подушка;

      2. 1 - порядковый номер типоразмера конструкции.

      Не разрешается внесение произвольных изменений в маркировочное обозначение, это может негативно сказаться на подборе строительных материалов.

      Особенности производства

      Требования к сырью, порядок производства и контроля всех этапов изготовления железобетонных подушек П 1 (Б3.507.1-3.04) подробно прописаны в нормативном документе - Серии Б3.507.1-3.04. Условиями регламента установлено, что в качестве главного сырья для производства конструкций должен быть использован тяжелый бетон класса С16/20 по прочности на сжатие с морозостойкостью F100. Водонепроницаемость следует подбирать исходя из климатических особенностей в регионе строительства.

      Для придания значительной прочности и выносливости к колоссальным нагрузкам в теле элемента предусмотрены специальные арматурные сетки. Они производятся из стали класса S400 из прутков диаметром 10 мм. Соединение в местах пересечения осуществляется с применением контактной точечной сварки по ГОСТ 14098-91.

      Для удобства монтажа и сопряжения со смежными конструкциями на расстоянии 30 мм от торцов предусмотрены специальные штыри, длиной порядка 920 мм, привариваемые к арматурным сеткам сваркой в соответствии с требованиями ГОСТ 14098-91 К1Кт. Для изготовления данных металлических деталей используется сталь класса S400 диаметром 12 мм. Количество штырей на одну подушку может варьироваться от 9 до 12 штук и зависит от типоразмера изделия.

      Конструкции должны отвечать геометрическим пропорциям, представленным на рабочих чертежах Серии Б3.507.1-3.04. Контрольные испытания необходимо проводить с соблюдением рекомендаций по методам ГОСТ 8829-94. Изделия, признанные некондиционными, отбраковываются и хранятся отдельно.

      Транспортировка и хранение

      Складирование и перевозка железобетонных подушек П 1 (Б3.507.1-3.04) должны осуществляться с щепетильным соблюдением всех правил и норм по техники безопасности. Запрещается сброс, навал и перемещение волоком. Рекомендуется применять специальные схемы укладки, предотвращающие механические повреждения и порчу выступающих арматурных частей.

      Длина, мм
      900
      Ширина, мм
      900
      Высота, мм
      250
      Вес, кг
      325
      Объем бетона, м3
      0.13
      Геометрический объем, м3
      0.2025
      Назад к списку
      +375 29 123-45-57
      +375 29 123-45-57
      E-mail
      zhbik2@mail.ru
      Адрес
      г. Минск, ул. Кальварийская, 16
      Режим работы
      Пн. – Пт.: с 9:00 до 18:00
      zhbik2@mail.ru
      г. Минск, ул. Кальварийская, 16
      © 2026 Завод ЖБИ г. Минск
      Политика конфиденциальности
      Разработка сайта New IT
      0 Корзина
      Ваша корзина пуста
      Исправить это просто: выберите в каталоге интересующий товар и нажмите кнопку «В корзину»
      Перейти в каталог
      Главная 0 Корзина Каталог Контакты