Завод ЖБИ г. Минск
+375 29 123-45-57
+375 29 123-45-57
E-mail
zhbik2@mail.ru
Адрес
г. Минск, ул. Кальварийская, 16
Режим работы
Пн. – Пт.: с 9:00 до 18:00
Каталог
  • По группам
    • Балки , Ригели, Фермы, Траверсы железобетонные
    • Бордюры, Плитка тротуарная, Элементы благоустройства
    • Дорожное строительство
    • Кабины санитарно-технические, Комплект гаража
    • Колонны, диафрагмы железобетонные
    • Лестничные ступени, Марши, Площадки
    • Лотковые элементы
    • Мостовые конструкции
    • Опоры , Приставки,Стойки , Анкера для ЛЭП
    • Панели стеновые, Шахты лифтов, Козырьки входа
    • Перемычки, Прогоны
    • Плиты забора железобетонные
    • Плиты перекрытия
    • Плиты, Блоки, Столбы, Стойки различного назначения
    • Сваи железобетонные
    • Трубы асбоцементные
    • Утяжелители железобетонные
    • Фундаментные блоки, Лежни, Фундаменты
    • Элементы Колодца
Информация
О компании
Контакты
0
Завод ЖБИ г. Минск
+375 29 123-45-57
+375 29 123-45-57
E-mail
zhbik2@mail.ru
Адрес
г. Минск, ул. Кальварийская, 16
Режим работы
Пн. – Пт.: с 9:00 до 18:00
Каталог

По группам

  • Балки , Ригели, Фермы, Траверсы железобетонные
    Балки , Ригели, Фермы, Траверсы железобетонные
    • Балки железобетонные различного назначения
    • Балки фундаментые
    • Ригели железобетонные
    • Траверсы железобетонные
    • Фермы железобетонные
  • Бордюры, Плитка тротуарная, Элементы благоустройства
    Бордюры, Плитка тротуарная, Элементы благоустройства
    • Балюстрады; Балясины
    • Бордюры
    • Камни бортовые дорожные,тротуарные
    • Плитка тротуарная 500x500
    • Полусферы, Шары, Арки, скамейки
    • Цветочницы, Урны, Вазы, Чаши,Тротуарные плиты
  • Дорожное строительство
    Дорожное строительство
    • Аэродромные плиты ПАГ
    • Блоки различного назначения для обустройства дорог
    • Дорожная плита
    • Звенья железобетонные
    • Откосные стенки
    • Плиты дорожного настила
    • Портальные стенки
    • Сигнальные столбики
    • Трубы железобетонные
    • Шпалы железобетонные
  • Кабины санитарно-технические, Комплект гаража
    Кабины санитарно-технические, Комплект гаража
    • Кабины санитарно-технические
    • Комплект гаража
  • Колонны, диафрагмы железобетонные
    Колонны, диафрагмы железобетонные
    • Диафрагмы жесткости железобетонные
    • Капители колонн
    • Колонны железобетонные
  • Лестничные ступени, Марши, Площадки
    Лестничные ступени, Марши, Площадки
    • Косоуры лестничные
    • Лестничные марши
    • Лестничные площадки железобетонные
    • Лестничные ступени
    • Накладные проступи
    • Ограждения лестничные
    • Площадочные вкладыши
  • Лотковые элементы
    Лотковые элементы
    • Балки для узлов трасс каналов
    • Блоки лотков каналов
    • Кабельные бруски
    • Кормушки для лотков
    • Лотки железобетонные
    • Опорные подушки лотков
    • Опоры лотков
    • Плиты перекрытия лотков
    • Решетки перекрытия каналов
    • Сливы бетонные
  • Мостовые конструкции
    Мостовые конструкции
    • Балки мостовые
    • Балки пролетного строения Серия 3.503.1-81
    • Блоки для обустройства мостов
    • Плиты для обустройства мостов
    • Прочие конструкции для мостов
    • Фундаменты для мостовых конструкций
  • Опоры , Приставки,Стойки , Анкера для ЛЭП
    Опоры , Приставки,Стойки , Анкера для ЛЭП
    • Анкера железобетонные
    • Опоры СВ
    • Приставки железобетонные
    • Стойки железобетонные
    • Стойки СК
  • Панели стеновые, Шахты лифтов, Козырьки входа
    Панели стеновые, Шахты лифтов, Козырьки входа
    • Козырьки входов для общественных зданий
    • Панели стеновые железобетонные
    • Стеновые блоки
    • Шахты лифтов железобетонные
  • Перемычки, Прогоны
    Перемычки, Прогоны
    • Перемычки железобетонные
    • Перемычки ПБ
    • Прогоны железобетонные
    • Прогоны ПРГ
  • Плиты забора железобетонные
    Плиты забора железобетонные
    • Панели оград железобетонные
    • Плиты забора ЖБИ
    • Столбы оград
    • Элементы ограждения
  • Плиты перекрытия
    Плиты перекрытия
    • Плиты ПБ
    • Плиты перекрытия многопустотные различного назначения
    • Плиты ПК
    • Плиты ребристые железобетонные
  • Плиты, Блоки, Столбы, Стойки различного назначения
    Плиты, Блоки, Столбы, Стойки различного назначения
    • Блоки железобетонные
    • Вентиляционные блоки
    • Плиты железобетонные
    • Стойки прочие
    • Столбы железобетонные
  • Сваи железобетонные
    Сваи железобетонные
    • Сваи забивные
    • Сваи различного назначения
  • Трубы асбоцементные
    Трубы асбоцементные
    • Муфты, скорлупы асбоцементные
    • Трубы асбоцементные
  • Утяжелители железобетонные
    Утяжелители железобетонные
    • Подушка КИП, Плиты для нефтеных скважин
    • Утяжелители железобетонные болотные
    • Утяжелители железобетонные кольцевые
    • Утяжелители железобетонные охватывающие
    • Утяжелители железобетонные поясные
  • Фундаментные блоки, Лежни, Фундаменты
    Фундаментные блоки, Лежни, Фундаменты
    • Блоки ФБС
    • Блоки ФЛ
    • Лежни железобетонные
    • Плиты фундаментные
    • Фундаментные блоки различного назначения
    • Фундаменты железобетонные
  • Элементы Колодца
    Элементы Колодца
    • Кабельный колодец
    • Кольца для колодца
    • Кольцо опорное КО 6, КЦО 1
    • Крышка колодца
    • Люки, дождеприемники, решетки, стремянки, консоли
    • Плита днища
    • Рабочие камеры и их элементы
    • Типовые кольца колодцев их элементы
Информация
О компании
Контакты
    0
    Каталог

    По группам

    • Балки , Ригели, Фермы, Траверсы железобетонные
      Балки , Ригели, Фермы, Траверсы железобетонные
      • Балки железобетонные различного назначения
      • Балки фундаментые
      • Ригели железобетонные
      • Траверсы железобетонные
      • Фермы железобетонные
    • Бордюры, Плитка тротуарная, Элементы благоустройства
      Бордюры, Плитка тротуарная, Элементы благоустройства
      • Балюстрады; Балясины
      • Бордюры
      • Камни бортовые дорожные,тротуарные
      • Плитка тротуарная 500x500
      • Полусферы, Шары, Арки, скамейки
      • Цветочницы, Урны, Вазы, Чаши,Тротуарные плиты
    • Дорожное строительство
      Дорожное строительство
      • Аэродромные плиты ПАГ
      • Блоки различного назначения для обустройства дорог
      • Дорожная плита
      • Звенья железобетонные
      • Откосные стенки
      • Плиты дорожного настила
      • Портальные стенки
      • Сигнальные столбики
      • Трубы железобетонные
      • Шпалы железобетонные
    • Кабины санитарно-технические, Комплект гаража
      Кабины санитарно-технические, Комплект гаража
      • Кабины санитарно-технические
      • Комплект гаража
    • Колонны, диафрагмы железобетонные
      Колонны, диафрагмы железобетонные
      • Диафрагмы жесткости железобетонные
      • Капители колонн
      • Колонны железобетонные
    • Лестничные ступени, Марши, Площадки
      Лестничные ступени, Марши, Площадки
      • Косоуры лестничные
      • Лестничные марши
      • Лестничные площадки железобетонные
      • Лестничные ступени
      • Накладные проступи
      • Ограждения лестничные
      • Площадочные вкладыши
    • Лотковые элементы
      Лотковые элементы
      • Балки для узлов трасс каналов
      • Блоки лотков каналов
      • Кабельные бруски
      • Кормушки для лотков
      • Лотки железобетонные
      • Опорные подушки лотков
      • Опоры лотков
      • Плиты перекрытия лотков
      • Решетки перекрытия каналов
      • Сливы бетонные
    • Мостовые конструкции
      Мостовые конструкции
      • Балки мостовые
      • Балки пролетного строения Серия 3.503.1-81
      • Блоки для обустройства мостов
      • Плиты для обустройства мостов
      • Прочие конструкции для мостов
      • Фундаменты для мостовых конструкций
    • Опоры , Приставки,Стойки , Анкера для ЛЭП
      Опоры , Приставки,Стойки , Анкера для ЛЭП
      • Анкера железобетонные
      • Опоры СВ
      • Приставки железобетонные
      • Стойки железобетонные
      • Стойки СК
    • Панели стеновые, Шахты лифтов, Козырьки входа
      Панели стеновые, Шахты лифтов, Козырьки входа
      • Козырьки входов для общественных зданий
      • Панели стеновые железобетонные
      • Стеновые блоки
      • Шахты лифтов железобетонные
    • Перемычки, Прогоны
      Перемычки, Прогоны
      • Перемычки железобетонные
      • Перемычки ПБ
      • Прогоны железобетонные
      • Прогоны ПРГ
    • Плиты забора железобетонные
      Плиты забора железобетонные
      • Панели оград железобетонные
      • Плиты забора ЖБИ
      • Столбы оград
      • Элементы ограждения
    • Плиты перекрытия
      Плиты перекрытия
      • Плиты ПБ
      • Плиты перекрытия многопустотные различного назначения
      • Плиты ПК
      • Плиты ребристые железобетонные
    • Плиты, Блоки, Столбы, Стойки различного назначения
      Плиты, Блоки, Столбы, Стойки различного назначения
      • Блоки железобетонные
      • Вентиляционные блоки
      • Плиты железобетонные
      • Стойки прочие
      • Столбы железобетонные
    • Сваи железобетонные
      Сваи железобетонные
      • Сваи забивные
      • Сваи различного назначения
    • Трубы асбоцементные
      Трубы асбоцементные
      • Муфты, скорлупы асбоцементные
      • Трубы асбоцементные
    • Утяжелители железобетонные
      Утяжелители железобетонные
      • Подушка КИП, Плиты для нефтеных скважин
      • Утяжелители железобетонные болотные
      • Утяжелители железобетонные кольцевые
      • Утяжелители железобетонные охватывающие
      • Утяжелители железобетонные поясные
    • Фундаментные блоки, Лежни, Фундаменты
      Фундаментные блоки, Лежни, Фундаменты
      • Блоки ФБС
      • Блоки ФЛ
      • Лежни железобетонные
      • Плиты фундаментные
      • Фундаментные блоки различного назначения
      • Фундаменты железобетонные
    • Элементы Колодца
      Элементы Колодца
      • Кабельный колодец
      • Кольца для колодца
      • Кольцо опорное КО 6, КЦО 1
      • Крышка колодца
      • Люки, дождеприемники, решетки, стремянки, консоли
      • Плита днища
      • Рабочие камеры и их элементы
      • Типовые кольца колодцев их элементы
    Информация
    О компании
    Контакты
      +375 29 123-45-57
      E-mail
      zhbik2@mail.ru
      Адрес
      г. Минск, ул. Кальварийская, 16
      Режим работы
      Пн. – Пт.: с 9:00 до 18:00
      0
      Телефоны
      +375 29 123-45-57
      E-mail
      zhbik2@mail.ru
      Адрес
      г. Минск, ул. Кальварийская, 16
      Режим работы
      Пн. – Пт.: с 9:00 до 18:00
      0
      • Каталог
        • Каталог
        • По группам
          • По группам
          • Балки , Ригели, Фермы, Траверсы железобетонные
            • Балки , Ригели, Фермы, Траверсы железобетонные
            • Балки железобетонные различного назначения
            • Балки фундаментые
            • Ригели железобетонные
            • Траверсы железобетонные
            • Фермы железобетонные
          • Бордюры, Плитка тротуарная, Элементы благоустройства
            • Бордюры, Плитка тротуарная, Элементы благоустройства
            • Балюстрады; Балясины
            • Бордюры
            • Камни бортовые дорожные,тротуарные
            • Плитка тротуарная 500x500
            • Полусферы, Шары, Арки, скамейки
            • Цветочницы, Урны, Вазы, Чаши,Тротуарные плиты
          • Дорожное строительство
            • Дорожное строительство
            • Аэродромные плиты ПАГ
            • Блоки различного назначения для обустройства дорог
            • Дорожная плита
            • Звенья железобетонные
            • Откосные стенки
            • Плиты дорожного настила
            • Портальные стенки
            • Сигнальные столбики
            • Трубы железобетонные
            • Шпалы железобетонные
          • Кабины санитарно-технические, Комплект гаража
            • Кабины санитарно-технические, Комплект гаража
            • Кабины санитарно-технические
            • Комплект гаража
          • Колонны, диафрагмы железобетонные
            • Колонны, диафрагмы железобетонные
            • Диафрагмы жесткости железобетонные
            • Капители колонн
            • Колонны железобетонные
          • Лестничные ступени, Марши, Площадки
            • Лестничные ступени, Марши, Площадки
            • Косоуры лестничные
            • Лестничные марши
            • Лестничные площадки железобетонные
            • Лестничные ступени
            • Накладные проступи
            • Ограждения лестничные
            • Площадочные вкладыши
          • Лотковые элементы
            • Лотковые элементы
            • Балки для узлов трасс каналов
            • Блоки лотков каналов
            • Кабельные бруски
            • Кормушки для лотков
            • Лотки железобетонные
            • Опорные подушки лотков
            • Опоры лотков
            • Плиты перекрытия лотков
            • Решетки перекрытия каналов
            • Сливы бетонные
          • Мостовые конструкции
            • Мостовые конструкции
            • Балки мостовые
            • Балки пролетного строения Серия 3.503.1-81
            • Блоки для обустройства мостов
            • Плиты для обустройства мостов
            • Прочие конструкции для мостов
            • Фундаменты для мостовых конструкций
          • Опоры , Приставки,Стойки , Анкера для ЛЭП
            • Опоры , Приставки,Стойки , Анкера для ЛЭП
            • Анкера железобетонные
            • Опоры СВ
            • Приставки железобетонные
            • Стойки железобетонные
            • Стойки СК
          • Панели стеновые, Шахты лифтов, Козырьки входа
            • Панели стеновые, Шахты лифтов, Козырьки входа
            • Козырьки входов для общественных зданий
            • Панели стеновые железобетонные
            • Стеновые блоки
            • Шахты лифтов железобетонные
          • Перемычки, Прогоны
            • Перемычки, Прогоны
            • Перемычки железобетонные
            • Перемычки ПБ
            • Прогоны железобетонные
            • Прогоны ПРГ
          • Плиты забора железобетонные
            • Плиты забора железобетонные
            • Панели оград железобетонные
            • Плиты забора ЖБИ
            • Столбы оград
            • Элементы ограждения
          • Плиты перекрытия
            • Плиты перекрытия
            • Плиты ПБ
            • Плиты перекрытия многопустотные различного назначения
            • Плиты ПК
            • Плиты ребристые железобетонные
          • Плиты, Блоки, Столбы, Стойки различного назначения
            • Плиты, Блоки, Столбы, Стойки различного назначения
            • Блоки железобетонные
            • Вентиляционные блоки
            • Плиты железобетонные
            • Стойки прочие
            • Столбы железобетонные
          • Сваи железобетонные
            • Сваи железобетонные
            • Сваи забивные
            • Сваи различного назначения
          • Трубы асбоцементные
            • Трубы асбоцементные
            • Муфты, скорлупы асбоцементные
            • Трубы асбоцементные
          • Утяжелители железобетонные
            • Утяжелители железобетонные
            • Подушка КИП, Плиты для нефтеных скважин
            • Утяжелители железобетонные болотные
            • Утяжелители железобетонные кольцевые
            • Утяжелители железобетонные охватывающие
            • Утяжелители железобетонные поясные
          • Фундаментные блоки, Лежни, Фундаменты
            • Фундаментные блоки, Лежни, Фундаменты
            • Блоки ФБС
            • Блоки ФЛ
            • Лежни железобетонные
            • Плиты фундаментные
            • Фундаментные блоки различного назначения
            • Фундаменты железобетонные
          • Элементы Колодца
            • Элементы Колодца
            • Кабельный колодец
            • Кольца для колодца
            • Кольцо опорное КО 6, КЦО 1
            • Крышка колодца
            • Люки, дождеприемники, решетки, стремянки, консоли
            • Плита днища
            • Рабочие камеры и их элементы
            • Типовые кольца колодцев их элементы
      • Информация
      • О компании
      • Контакты
      • 0 Корзина
      • +375 29 123-45-57
        • Телефоны
        • +375 29 123-45-57
      • г. Минск, ул. Кальварийская, 16
      • zhbik2@mail.ru
      • Пн. – Пт.: с 9:00 до 18:00

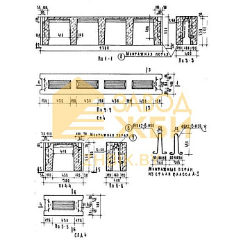
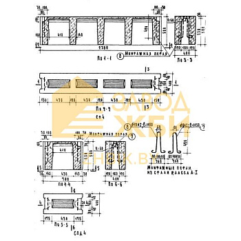
      Фундаментные блоки различного назначения

      183
      Блоки бетонные ТПР 709-09-29.84
      Блоки для стен подвалов Серия 86 и 85
      Блоки фундаментные сплошные ФБС Серия 1.012.1-1.92
      Блоки фундаментные сплошные ФБС Серия 1.116-1
      Блоки фундаментные сплошные ФБС Серия Б1.016.1-1
      Блоки фундаментные сплошные ФБС Серия ИИ 03-02
      Фундаментные блоки ТПР 501-07-014.91
      Фундаментные блоки ТПР 501-07-5.84
      Фундаментные блоки пустотные Серия 1.116-1
      Фундаментные блоки пустотные Серия ИИ 03-02
      Фундаментные блоки пустотные ФБП серия 1.116.1-8 и ГОСТ 13579-78
      Фундаментные блоки сплошные ФБС серия 1.116.1-8
      Фундаментные блоки сплошные ФБС серия 1.116.1-8 и ГОСТ 13579-78
      Фундаментные блоки сплошные с вырезом ФБВ Серия 1.116.1-8
      Фундаментные блоки сплошные с вырезом ФБВ серия 1.116.1-8 и ГОСТ 13579-78
      Фильтр
      По наименованию (А-Я)
      По наименованию (А-Я)
      По наименованию (Я-А)
      Фильтр
      Длина, мм
      780
      1298
      1815
      2333
      2850
      Показать:
      Ширина, мм
      200
      350
      500
      650
      800
      Показать:
      Высота, мм
      280
      355
      430
      505
      580
      Показать:
      Вес, кг
      160
      610
      1060
      1510
      1960
      Показать:
      Объем бетона, м3
      0.066
      0.066
      0.066
      1.066
      0.817
      Показать:
      Геометрический объем, м3
      0.0661
      0.0661
      0.0661
      1.0661
      0.8282
      Показать:
      Выбрано: 0 Показать
      Выбрано: 0
      СП 3 с
      ИИ 03-02/Блоки фундаментные сплошные ФБС Серия ИИ 03-02
      СП 3 с
      Арт. 140627
      от 30 руб.
      СП 4
      ИИ 03-02/Фундаментные блоки пустотные Серия ИИ 03-02
      СП 4
      Арт. 140635
      от 30 руб.
      СП 4 с
      ИИ 03-02/Блоки фундаментные сплошные ФБС Серия ИИ 03-02
      СП 4 с
      Арт. 140629
      от 30 руб.
      СП 5
      ИИ 03-02/Фундаментные блоки пустотные Серия ИИ 03-02
      СП 5
      Арт. 140637
      от 30 руб.
      СП 5 с
      ИИ 03-02/Блоки фундаментные сплошные ФБС Серия ИИ 03-02
      СП 5 с
      Арт. 140631
      от 30 руб.
      СП 6
      ИИ 03-02/Фундаментные блоки пустотные Серия ИИ 03-02
      СП 6
      Арт. 140639
      от 30 руб.
      СП 6 с
      ИИ 03-02/Блоки фундаментные сплошные ФБС Серия ИИ 03-02
      СП 6 с
      Арт. 140633
      от 30 руб.
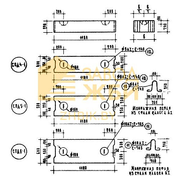
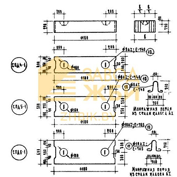
      СПД 3 с
      ИИ 03-02/Блоки фундаментные сплошные ФБС Серия ИИ 03-02
      СПД 3 с
      Арт. 140628
      от 30 руб.
      СПД 4
      ИИ 03-02/Фундаментные блоки пустотные Серия ИИ 03-02
      СПД 4
      Арт. 140636
      от 30 руб.
      СПД 4 с
      ИИ 03-02/Блоки фундаментные сплошные ФБС Серия ИИ 03-02
      СПД 4 с
      Арт. 140630
      от 30 руб.
      СПД 4-1
      ИИ 03-02/Блоки фундаментные сплошные ФБС Серия ИИ 03-02
      СПД 4-1
      Арт. 140641
      от 30 руб.
      СПД 5
      ИИ 03-02/Фундаментные блоки пустотные Серия ИИ 03-02
      СПД 5
      Арт. 140638
      от 30 руб.
      СПД 5 с
      ИИ 03-02/Блоки фундаментные сплошные ФБС Серия ИИ 03-02
      СПД 5 с
      Арт. 140632
      от 30 руб.
      СПД 5-1
      ИИ 03-02/Блоки фундаментные сплошные ФБС Серия ИИ 03-02
      СПД 5-1
      Арт. 140642
      от 30 руб.
      СПД 6
      ИИ 03-02/Фундаментные блоки пустотные Серия ИИ 03-02
      СПД 6
      Арт. 140640
      от 30 руб.
      СПД 6 с
      ИИ 03-02/Блоки фундаментные сплошные ФБС Серия ИИ 03-02
      СПД 6 с
      Арт. 140634
      от 30 руб.
      СПД 6-1
      ИИ 03-02/Блоки фундаментные сплошные ФБС Серия ИИ 03-02
      СПД 6-1
      Арт. 140643
      от 30 руб.
      ФБВ 9-4-6 п
      13579-78/Фундаментные блоки сплошные с вырезом ФБВ серия 1.116.1-8 и ГОСТ 13579-78
      ФБВ 9-4-6 п
      Арт. 83636
      от 30 руб.
      ФБВ 9-4-6 п (1.116.1-8)
      1.116.1-8/Фундаментные блоки сплошные с вырезом ФБВ Серия 1.116.1-8
      ФБВ 9-4-6 п (1.116.1-8)
      Арт. 128689
      от 30 руб.
      ФБВ 9-4-6 с
      13579-78/Фундаментные блоки сплошные с вырезом ФБВ серия 1.116.1-8 и ГОСТ 13579-78
      ФБВ 9-4-6 с
      Арт. 83637
      от 30 руб.
      ФБВ 9-4-6 с (1.116.1-8)
      1.116.1-8/Фундаментные блоки сплошные с вырезом ФБВ Серия 1.116.1-8
      ФБВ 9-4-6 с (1.116.1-8)
      Арт. 128690
      от 30 руб.
      ФБВ 9-4-6 т
      13579-78/Фундаментные блоки сплошные с вырезом ФБВ серия 1.116.1-8 и ГОСТ 13579-78
      ФБВ 9-4-6 т
      Арт. 83639
      от 30 руб.
      ФБВ 9-4-6 т (1.116.1-8)
      1.116.1-8/Фундаментные блоки сплошные с вырезом ФБВ Серия 1.116.1-8
      ФБВ 9-4-6 т (1.116.1-8)
      Арт. 128688
      от 30 руб.
      ФБВ 9-5-6 п
      13579-78/Фундаментные блоки сплошные с вырезом ФБВ серия 1.116.1-8 и ГОСТ 13579-78
      ФБВ 9-5-6 п
      Арт. 83630
      от 30 руб.
      ФБВ 9-5-6 п (1.116.1-8)
      1.116.1-8/Фундаментные блоки сплошные с вырезом ФБВ Серия 1.116.1-8
      ФБВ 9-5-6 п (1.116.1-8)
      Арт. 128692
      от 30 руб.
      ФБВ 9-5-6 с
      13579-78/Фундаментные блоки сплошные с вырезом ФБВ серия 1.116.1-8 и ГОСТ 13579-78
      ФБВ 9-5-6 с
      Арт. 83631
      от 30 руб.
      ФБВ 9-5-6 с (1.116.1-8)
      1.116.1-8/Фундаментные блоки сплошные с вырезом ФБВ Серия 1.116.1-8
      ФБВ 9-5-6 с (1.116.1-8)
      Арт. 128693
      от 30 руб.
      ФБВ 9-5-6 т
      13579-78/Фундаментные блоки сплошные с вырезом ФБВ серия 1.116.1-8 и ГОСТ 13579-78
      ФБВ 9-5-6 т
      Арт. 83640
      от 30 руб.
      ФБВ 9-5-6 т (1.116.1-8)
      1.116.1-8/Фундаментные блоки сплошные с вырезом ФБВ Серия 1.116.1-8
      ФБВ 9-5-6 т (1.116.1-8)
      Арт. 128691
      от 30 руб.
      ФБВ 9-6-6 п
      13579-78/Фундаментные блоки сплошные с вырезом ФБВ серия 1.116.1-8 и ГОСТ 13579-78
      ФБВ 9-6-6 п
      Арт. 83634
      от 30 руб.
      ФБВ 9-6-6 п (1.116.1-8)
      1.116.1-8/Фундаментные блоки сплошные с вырезом ФБВ Серия 1.116.1-8
      ФБВ 9-6-6 п (1.116.1-8)
      Арт. 128695
      от 30 руб.
      ФБВ 9-6-6 с
      13579-78/Фундаментные блоки сплошные с вырезом ФБВ серия 1.116.1-8 и ГОСТ 13579-78
      ФБВ 9-6-6 с
      Арт. 83633
      от 30 руб.
      1 2 3 ... 6
      +375 29 123-45-57
      +375 29 123-45-57
      E-mail
      zhbik2@mail.ru
      Адрес
      г. Минск, ул. Кальварийская, 16
      Режим работы
      Пн. – Пт.: с 9:00 до 18:00
      zhbik2@mail.ru
      г. Минск, ул. Кальварийская, 16
      © 2026 Завод ЖБИ г. Минск
      Политика конфиденциальности
      Разработка сайта New IT
      0 Корзина
      Ваша корзина пуста
      Исправить это просто: выберите в каталоге интересующий товар и нажмите кнопку «В корзину»
      Перейти в каталог
      Главная 0 Корзина Каталог Контакты