Завод ЖБИ г. Минск
+375 29 123-45-57
+375 29 123-45-57
E-mail
zhbik2@mail.ru
Адрес
г. Минск, ул. Кальварийская, 16
Режим работы
Пн. – Пт.: с 9:00 до 18:00
Каталог
  • По группам
    • Балки , Ригели, Фермы, Траверсы железобетонные
    • Бордюры, Плитка тротуарная, Элементы благоустройства
    • Дорожное строительство
    • Кабины санитарно-технические, Комплект гаража
    • Колонны, диафрагмы железобетонные
    • Лестничные ступени, Марши, Площадки
    • Лотковые элементы
    • Мостовые конструкции
    • Опоры , Приставки,Стойки , Анкера для ЛЭП
    • Панели стеновые, Шахты лифтов, Козырьки входа
    • Перемычки, Прогоны
    • Плиты забора железобетонные
    • Плиты перекрытия
    • Плиты, Блоки, Столбы, Стойки различного назначения
    • Сваи железобетонные
    • Трубы асбоцементные
    • Утяжелители железобетонные
    • Фундаментные блоки, Лежни, Фундаменты
    • Элементы Колодца
Информация
О компании
Контакты
0
Завод ЖБИ г. Минск
+375 29 123-45-57
+375 29 123-45-57
E-mail
zhbik2@mail.ru
Адрес
г. Минск, ул. Кальварийская, 16
Режим работы
Пн. – Пт.: с 9:00 до 18:00
Каталог

По группам

  • Балки , Ригели, Фермы, Траверсы железобетонные
    Балки , Ригели, Фермы, Траверсы железобетонные
    • Балки железобетонные различного назначения
    • Балки фундаментые
    • Ригели железобетонные
    • Траверсы железобетонные
    • Фермы железобетонные
  • Бордюры, Плитка тротуарная, Элементы благоустройства
    Бордюры, Плитка тротуарная, Элементы благоустройства
    • Балюстрады; Балясины
    • Бордюры
    • Камни бортовые дорожные,тротуарные
    • Плитка тротуарная 500x500
    • Полусферы, Шары, Арки, скамейки
    • Цветочницы, Урны, Вазы, Чаши,Тротуарные плиты
  • Дорожное строительство
    Дорожное строительство
    • Аэродромные плиты ПАГ
    • Блоки различного назначения для обустройства дорог
    • Дорожная плита
    • Звенья железобетонные
    • Откосные стенки
    • Плиты дорожного настила
    • Портальные стенки
    • Сигнальные столбики
    • Трубы железобетонные
    • Шпалы железобетонные
  • Кабины санитарно-технические, Комплект гаража
    Кабины санитарно-технические, Комплект гаража
    • Кабины санитарно-технические
    • Комплект гаража
  • Колонны, диафрагмы железобетонные
    Колонны, диафрагмы железобетонные
    • Диафрагмы жесткости железобетонные
    • Капители колонн
    • Колонны железобетонные
  • Лестничные ступени, Марши, Площадки
    Лестничные ступени, Марши, Площадки
    • Косоуры лестничные
    • Лестничные марши
    • Лестничные площадки железобетонные
    • Лестничные ступени
    • Накладные проступи
    • Ограждения лестничные
    • Площадочные вкладыши
  • Лотковые элементы
    Лотковые элементы
    • Балки для узлов трасс каналов
    • Блоки лотков каналов
    • Кабельные бруски
    • Кормушки для лотков
    • Лотки железобетонные
    • Опорные подушки лотков
    • Опоры лотков
    • Плиты перекрытия лотков
    • Решетки перекрытия каналов
    • Сливы бетонные
  • Мостовые конструкции
    Мостовые конструкции
    • Балки мостовые
    • Балки пролетного строения Серия 3.503.1-81
    • Блоки для обустройства мостов
    • Плиты для обустройства мостов
    • Прочие конструкции для мостов
    • Фундаменты для мостовых конструкций
  • Опоры , Приставки,Стойки , Анкера для ЛЭП
    Опоры , Приставки,Стойки , Анкера для ЛЭП
    • Анкера железобетонные
    • Опоры СВ
    • Приставки железобетонные
    • Стойки железобетонные
    • Стойки СК
  • Панели стеновые, Шахты лифтов, Козырьки входа
    Панели стеновые, Шахты лифтов, Козырьки входа
    • Козырьки входов для общественных зданий
    • Панели стеновые железобетонные
    • Стеновые блоки
    • Шахты лифтов железобетонные
  • Перемычки, Прогоны
    Перемычки, Прогоны
    • Перемычки железобетонные
    • Перемычки ПБ
    • Прогоны железобетонные
    • Прогоны ПРГ
  • Плиты забора железобетонные
    Плиты забора железобетонные
    • Панели оград железобетонные
    • Плиты забора ЖБИ
    • Столбы оград
    • Элементы ограждения
  • Плиты перекрытия
    Плиты перекрытия
    • Плиты ПБ
    • Плиты перекрытия многопустотные различного назначения
    • Плиты ПК
    • Плиты ребристые железобетонные
  • Плиты, Блоки, Столбы, Стойки различного назначения
    Плиты, Блоки, Столбы, Стойки различного назначения
    • Блоки железобетонные
    • Вентиляционные блоки
    • Плиты железобетонные
    • Стойки прочие
    • Столбы железобетонные
  • Сваи железобетонные
    Сваи железобетонные
    • Сваи забивные
    • Сваи различного назначения
  • Трубы асбоцементные
    Трубы асбоцементные
    • Муфты, скорлупы асбоцементные
    • Трубы асбоцементные
  • Утяжелители железобетонные
    Утяжелители железобетонные
    • Подушка КИП, Плиты для нефтеных скважин
    • Утяжелители железобетонные болотные
    • Утяжелители железобетонные кольцевые
    • Утяжелители железобетонные охватывающие
    • Утяжелители железобетонные поясные
  • Фундаментные блоки, Лежни, Фундаменты
    Фундаментные блоки, Лежни, Фундаменты
    • Блоки ФБС
    • Блоки ФЛ
    • Лежни железобетонные
    • Плиты фундаментные
    • Фундаментные блоки различного назначения
    • Фундаменты железобетонные
  • Элементы Колодца
    Элементы Колодца
    • Кабельный колодец
    • Кольца для колодца
    • Кольцо опорное КО 6, КЦО 1
    • Крышка колодца
    • Люки, дождеприемники, решетки, стремянки, консоли
    • Плита днища
    • Рабочие камеры и их элементы
    • Типовые кольца колодцев их элементы
Информация
О компании
Контакты
    0
    Каталог

    По группам

    • Балки , Ригели, Фермы, Траверсы железобетонные
      Балки , Ригели, Фермы, Траверсы железобетонные
      • Балки железобетонные различного назначения
      • Балки фундаментые
      • Ригели железобетонные
      • Траверсы железобетонные
      • Фермы железобетонные
    • Бордюры, Плитка тротуарная, Элементы благоустройства
      Бордюры, Плитка тротуарная, Элементы благоустройства
      • Балюстрады; Балясины
      • Бордюры
      • Камни бортовые дорожные,тротуарные
      • Плитка тротуарная 500x500
      • Полусферы, Шары, Арки, скамейки
      • Цветочницы, Урны, Вазы, Чаши,Тротуарные плиты
    • Дорожное строительство
      Дорожное строительство
      • Аэродромные плиты ПАГ
      • Блоки различного назначения для обустройства дорог
      • Дорожная плита
      • Звенья железобетонные
      • Откосные стенки
      • Плиты дорожного настила
      • Портальные стенки
      • Сигнальные столбики
      • Трубы железобетонные
      • Шпалы железобетонные
    • Кабины санитарно-технические, Комплект гаража
      Кабины санитарно-технические, Комплект гаража
      • Кабины санитарно-технические
      • Комплект гаража
    • Колонны, диафрагмы железобетонные
      Колонны, диафрагмы железобетонные
      • Диафрагмы жесткости железобетонные
      • Капители колонн
      • Колонны железобетонные
    • Лестничные ступени, Марши, Площадки
      Лестничные ступени, Марши, Площадки
      • Косоуры лестничные
      • Лестничные марши
      • Лестничные площадки железобетонные
      • Лестничные ступени
      • Накладные проступи
      • Ограждения лестничные
      • Площадочные вкладыши
    • Лотковые элементы
      Лотковые элементы
      • Балки для узлов трасс каналов
      • Блоки лотков каналов
      • Кабельные бруски
      • Кормушки для лотков
      • Лотки железобетонные
      • Опорные подушки лотков
      • Опоры лотков
      • Плиты перекрытия лотков
      • Решетки перекрытия каналов
      • Сливы бетонные
    • Мостовые конструкции
      Мостовые конструкции
      • Балки мостовые
      • Балки пролетного строения Серия 3.503.1-81
      • Блоки для обустройства мостов
      • Плиты для обустройства мостов
      • Прочие конструкции для мостов
      • Фундаменты для мостовых конструкций
    • Опоры , Приставки,Стойки , Анкера для ЛЭП
      Опоры , Приставки,Стойки , Анкера для ЛЭП
      • Анкера железобетонные
      • Опоры СВ
      • Приставки железобетонные
      • Стойки железобетонные
      • Стойки СК
    • Панели стеновые, Шахты лифтов, Козырьки входа
      Панели стеновые, Шахты лифтов, Козырьки входа
      • Козырьки входов для общественных зданий
      • Панели стеновые железобетонные
      • Стеновые блоки
      • Шахты лифтов железобетонные
    • Перемычки, Прогоны
      Перемычки, Прогоны
      • Перемычки железобетонные
      • Перемычки ПБ
      • Прогоны железобетонные
      • Прогоны ПРГ
    • Плиты забора железобетонные
      Плиты забора железобетонные
      • Панели оград железобетонные
      • Плиты забора ЖБИ
      • Столбы оград
      • Элементы ограждения
    • Плиты перекрытия
      Плиты перекрытия
      • Плиты ПБ
      • Плиты перекрытия многопустотные различного назначения
      • Плиты ПК
      • Плиты ребристые железобетонные
    • Плиты, Блоки, Столбы, Стойки различного назначения
      Плиты, Блоки, Столбы, Стойки различного назначения
      • Блоки железобетонные
      • Вентиляционные блоки
      • Плиты железобетонные
      • Стойки прочие
      • Столбы железобетонные
    • Сваи железобетонные
      Сваи железобетонные
      • Сваи забивные
      • Сваи различного назначения
    • Трубы асбоцементные
      Трубы асбоцементные
      • Муфты, скорлупы асбоцементные
      • Трубы асбоцементные
    • Утяжелители железобетонные
      Утяжелители железобетонные
      • Подушка КИП, Плиты для нефтеных скважин
      • Утяжелители железобетонные болотные
      • Утяжелители железобетонные кольцевые
      • Утяжелители железобетонные охватывающие
      • Утяжелители железобетонные поясные
    • Фундаментные блоки, Лежни, Фундаменты
      Фундаментные блоки, Лежни, Фундаменты
      • Блоки ФБС
      • Блоки ФЛ
      • Лежни железобетонные
      • Плиты фундаментные
      • Фундаментные блоки различного назначения
      • Фундаменты железобетонные
    • Элементы Колодца
      Элементы Колодца
      • Кабельный колодец
      • Кольца для колодца
      • Кольцо опорное КО 6, КЦО 1
      • Крышка колодца
      • Люки, дождеприемники, решетки, стремянки, консоли
      • Плита днища
      • Рабочие камеры и их элементы
      • Типовые кольца колодцев их элементы
    Информация
    О компании
    Контакты
      +375 29 123-45-57
      E-mail
      zhbik2@mail.ru
      Адрес
      г. Минск, ул. Кальварийская, 16
      Режим работы
      Пн. – Пт.: с 9:00 до 18:00
      0
      Телефоны
      +375 29 123-45-57
      E-mail
      zhbik2@mail.ru
      Адрес
      г. Минск, ул. Кальварийская, 16
      Режим работы
      Пн. – Пт.: с 9:00 до 18:00
      0
      • Каталог
        • Каталог
        • По группам
          • По группам
          • Балки , Ригели, Фермы, Траверсы железобетонные
            • Балки , Ригели, Фермы, Траверсы железобетонные
            • Балки железобетонные различного назначения
            • Балки фундаментые
            • Ригели железобетонные
            • Траверсы железобетонные
            • Фермы железобетонные
          • Бордюры, Плитка тротуарная, Элементы благоустройства
            • Бордюры, Плитка тротуарная, Элементы благоустройства
            • Балюстрады; Балясины
            • Бордюры
            • Камни бортовые дорожные,тротуарные
            • Плитка тротуарная 500x500
            • Полусферы, Шары, Арки, скамейки
            • Цветочницы, Урны, Вазы, Чаши,Тротуарные плиты
          • Дорожное строительство
            • Дорожное строительство
            • Аэродромные плиты ПАГ
            • Блоки различного назначения для обустройства дорог
            • Дорожная плита
            • Звенья железобетонные
            • Откосные стенки
            • Плиты дорожного настила
            • Портальные стенки
            • Сигнальные столбики
            • Трубы железобетонные
            • Шпалы железобетонные
          • Кабины санитарно-технические, Комплект гаража
            • Кабины санитарно-технические, Комплект гаража
            • Кабины санитарно-технические
            • Комплект гаража
          • Колонны, диафрагмы железобетонные
            • Колонны, диафрагмы железобетонные
            • Диафрагмы жесткости железобетонные
            • Капители колонн
            • Колонны железобетонные
          • Лестничные ступени, Марши, Площадки
            • Лестничные ступени, Марши, Площадки
            • Косоуры лестничные
            • Лестничные марши
            • Лестничные площадки железобетонные
            • Лестничные ступени
            • Накладные проступи
            • Ограждения лестничные
            • Площадочные вкладыши
          • Лотковые элементы
            • Лотковые элементы
            • Балки для узлов трасс каналов
            • Блоки лотков каналов
            • Кабельные бруски
            • Кормушки для лотков
            • Лотки железобетонные
            • Опорные подушки лотков
            • Опоры лотков
            • Плиты перекрытия лотков
            • Решетки перекрытия каналов
            • Сливы бетонные
          • Мостовые конструкции
            • Мостовые конструкции
            • Балки мостовые
            • Балки пролетного строения Серия 3.503.1-81
            • Блоки для обустройства мостов
            • Плиты для обустройства мостов
            • Прочие конструкции для мостов
            • Фундаменты для мостовых конструкций
          • Опоры , Приставки,Стойки , Анкера для ЛЭП
            • Опоры , Приставки,Стойки , Анкера для ЛЭП
            • Анкера железобетонные
            • Опоры СВ
            • Приставки железобетонные
            • Стойки железобетонные
            • Стойки СК
          • Панели стеновые, Шахты лифтов, Козырьки входа
            • Панели стеновые, Шахты лифтов, Козырьки входа
            • Козырьки входов для общественных зданий
            • Панели стеновые железобетонные
            • Стеновые блоки
            • Шахты лифтов железобетонные
          • Перемычки, Прогоны
            • Перемычки, Прогоны
            • Перемычки железобетонные
            • Перемычки ПБ
            • Прогоны железобетонные
            • Прогоны ПРГ
          • Плиты забора железобетонные
            • Плиты забора железобетонные
            • Панели оград железобетонные
            • Плиты забора ЖБИ
            • Столбы оград
            • Элементы ограждения
          • Плиты перекрытия
            • Плиты перекрытия
            • Плиты ПБ
            • Плиты перекрытия многопустотные различного назначения
            • Плиты ПК
            • Плиты ребристые железобетонные
          • Плиты, Блоки, Столбы, Стойки различного назначения
            • Плиты, Блоки, Столбы, Стойки различного назначения
            • Блоки железобетонные
            • Вентиляционные блоки
            • Плиты железобетонные
            • Стойки прочие
            • Столбы железобетонные
          • Сваи железобетонные
            • Сваи железобетонные
            • Сваи забивные
            • Сваи различного назначения
          • Трубы асбоцементные
            • Трубы асбоцементные
            • Муфты, скорлупы асбоцементные
            • Трубы асбоцементные
          • Утяжелители железобетонные
            • Утяжелители железобетонные
            • Подушка КИП, Плиты для нефтеных скважин
            • Утяжелители железобетонные болотные
            • Утяжелители железобетонные кольцевые
            • Утяжелители железобетонные охватывающие
            • Утяжелители железобетонные поясные
          • Фундаментные блоки, Лежни, Фундаменты
            • Фундаментные блоки, Лежни, Фундаменты
            • Блоки ФБС
            • Блоки ФЛ
            • Лежни железобетонные
            • Плиты фундаментные
            • Фундаментные блоки различного назначения
            • Фундаменты железобетонные
          • Элементы Колодца
            • Элементы Колодца
            • Кабельный колодец
            • Кольца для колодца
            • Кольцо опорное КО 6, КЦО 1
            • Крышка колодца
            • Люки, дождеприемники, решетки, стремянки, консоли
            • Плита днища
            • Рабочие камеры и их элементы
            • Типовые кольца колодцев их элементы
      • Информация
      • О компании
      • Контакты
      • 0 Корзина
      • +375 29 123-45-57
        • Телефоны
        • +375 29 123-45-57
      • г. Минск, ул. Кальварийская, 16
      • zhbik2@mail.ru
      • Пн. – Пт.: с 9:00 до 18:00

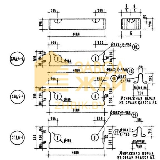
      СПД 4-1

      СПД 4-1
      от 30 руб.
      Арт. 140641
      Цена не является публичной офертой! Актуальность цены уточняйте у наших менеджеров.
      СПД 4-1
      СПД 4-1
      1180х400x290
      Подробности
      Характеристики
      Длина, мм
      —
      1180
      Ширина, мм
      —
      400
      Высота, мм
      —
      290
      Вес, кг
      —
      317
      Объем бетона, м3
      —
      0.132
      Геометрический объем, м3
      —
      0.1369
      Все характеристики
      ГОСТ, Серия
      —
      Серия ИИ 03-02
      Срок изготовление от 1 дня
      Доставка от 1 дня
      СПД 4-1
      от 30 руб.
      Арт. 140641
      Цена не является публичной офертой! Актуальность цены уточняйте у наших менеджеров.
      • Описание
      • Характеристики

      Стандарт изготовления изделия: Серия ИИ 03-02

      Блоки фундамента сплошные СПД 4-1 представляют собой прямоугольные строительные материалы, имеющие на торцевых сторонах небольшие трапециевидные углубления. Также на торцах размещаются строповочные петли, скрытые в полукруглых углублениях.

      Применяются сплошные фундаментные блоки в сфере гражданского строительства при возведении жилых домов и общественных сооружений. Они используются в качестве основы при обустройстве подвала будущего объекта и отличаются высокой прочностью и надежностью. Для вычисления целесообразности применения блоков следует производить технико-экономические расчеты.

      Маркировочные обозначения

      На строительные материалы наносят знаки, отражающие главные особенности конструкций. Они позволяют быстро найти требуемые элементы. Масляная краска для нанесения маркировки имеет высокую степень сопротивляемости вредоносному воздействию атмосферных осадков и колебаниям температур. Совокупность символов СПД 4-1 имеет следующую расшифровку:

      1. СПД - тип конструкции - блок фундамента укороченный (СП - полноразмерный);

      2. 4 - порядковый номер типоразмера изделия, характеризующий ширину (дм);

      3. с - сплошной.

      При отсутствии буквенного индекса в конце маркировочного обозначения подразумевается дырчатая конструкция блоков (наличие несквозных прямоугольных пустот). Если в конце маркировки присутствует числовой индекс «1», то подразумевается высота блока, равная 29см. Не допускается изменять маркировочные знаки.

      Особенности производства

      С подробным процессом производства блоков стен подвала СПД 4-1 можно ознакомиться в нормативном документе Серии ИИ 03-02. Для сохранения точных геометрических пропорций, прописанных на рабочих чертежах, изготовление рекомендуется осуществлять в металлических опалубочных формах. В качестве главного материала необходимо применять тяжелый бетон марки М100. Блоки с пустотами изготавливаются из бетона марки М150. Физико-химические показатели, такие как водонепроницаемость и морозостойкость, зависят от условий климата в регионе строительства и подбираются под каждый конкретный случай индивидуально.

      Конструкции являются монолитными бетонными строительными материалами, не имеющими в составе арматурных стальных каркасов и сеток. Единственные размещенные в теле элемента металлические компоненты, это строповочные петли, упрощающие осуществление погрузочно-разгрузочных работ и монтажа. Они изготавливаются из круглой горячекатаной стали класса AI марок ВСт3 или ВКСт3, соответствующей требованиям ГОСТ 5781-61. Для продления эксплуатационного срока службы конструкций следует позаботиться об обеспечении дополнительной защиты строительных материалов специальными противокоррозионными составами.

      К заказчику поставляются изделия, оснащенные сертификатами качества, подтверждающими соответствие физико-химических характеристик всем требованиям нормативно правовой документации и отражающими пригодность к эксплуатации. Они выписываются на основе результатов приемо-сдаточных испытаний.

      Транспортировка и хранение

      Складирование и транспортировка сплошных фундаментных блоков СПД 4-1 должны осуществляться с соблюдением требований нормативной документации и правил по технике безопасности. Укладка рекомендована в штабеля с обязательным использованием инвентарных деревянных подкладочных материалов. Исключающих вероятность возникновения продольных и поперечных смещений. Важно беречь конструкции от возникновения механических повреждений.

      Длина, мм
      1180
      Ширина, мм
      400
      Высота, мм
      290
      Вес, кг
      317
      Объем бетона, м3
      0.132
      Геометрический объем, м3
      0.1369
      Назад к списку
      +375 29 123-45-57
      +375 29 123-45-57
      E-mail
      zhbik2@mail.ru
      Адрес
      г. Минск, ул. Кальварийская, 16
      Режим работы
      Пн. – Пт.: с 9:00 до 18:00
      zhbik2@mail.ru
      г. Минск, ул. Кальварийская, 16
      © 2026 Завод ЖБИ г. Минск
      Политика конфиденциальности
      Разработка сайта New IT
      0 Корзина
      Ваша корзина пуста
      Исправить это просто: выберите в каталоге интересующий товар и нажмите кнопку «В корзину»
      Перейти в каталог
      Главная 0 Корзина Каталог Контакты